Das HZ-GFM-Flanschlager kombiniert dank seines integrierten Flanschdesigns radiale Belastbarkeit mit axialer Ausrichtungskontrolle. Es besteht aus wärmestabilisierten Polymeren und widersteht intermittierenden Stoßbelastungen und Fehlausrichtungen in Fahrzeuggestängen, HVAC-Dämpfern oder Materialtransportsystemen.
Kernfunktionen
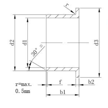
Flanschdesign: Verhindert axiale Drift; vereinfacht die Montage in Weichstoffgehäusen.
Material: Glasfaserverstärktes PA66 oder PEEK für erhöhte Temperaturbeständigkeit (kurzzeitig bis zu 180°C).
Installation: Kompatibel mit Einpresswerkzeugen (z. B. PT-1350-Serie) für eine schnelle Montage.
Anwendungen: Pumpengehäuse, elektrische Aktuatorführungen und Förderrollen, die Stabilität in zwei Richtungen erfordern.















